NTN CR30XLLH軸承技術規格
| 類型 | 凸輪從動軸承 |
| 材質 | 淬透鋼 |
| 螺紋類型 | 英制 |
| 保持架材質 | 穿孔鋼板 |
| 極限轉速-油潤滑 | 8000轉/分鐘 |
| 極限轉速-脂潤滑 | 6000轉/分鐘 |
| 滾子型式 | 圓柱型 |
| 軸承類型 | 滾針軸承 |
| 外圈類型 | 圓柱型 |
| 附件 | 雙面密封 |
| 驅動裝置型式 | 六角頭 |
| 結構 | 單列 |
| 扭矩 | 21.0 lb ·ft92 N ·m |
| 基本額定靜載荷 | 475 lbf 2110 N |
| 基本額定動載荷 | 4650 lbf 20700 N |
| 重量 | 0.926 lb 0.420 kg |
| 應用溫度范圍 | -40 to 250 oF -40 to 120 oC |
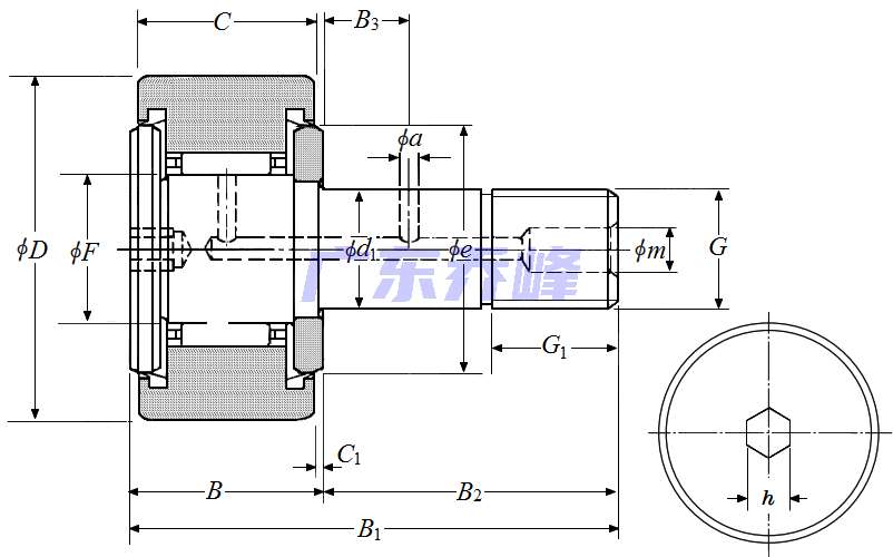
NTN CR30XLLH軸承尺寸規格
| 凸輪從動螺柱式滾輪軸承 - 圓柱內徑,CR..LLH型 - 尺寸 | |
| G | 3/4-16UNF |
| B1 | 2.8110 in 71.400 mm |
| B2 | 1.7480 in 44.400 mm |
| D | 1.8750 in 47.625 mm |
| D公差 | 0/-0.0020 in 0/-0.050 mm |
| B | 1.0630 in 27.000 mm |
| C | 1.0000 in 25.400 mm |
| C公差 | 0/-0.0051 in 0/-0.130 mm |
| d1 | 0.7500 in 19.050 mm |
| d1公差 | 0.0010/0 in 0.025/0 mm |
| G1 | 0.8740 in 22.200 mm |
| e | 1.4370 in 36.500 mm |
| B3 | 0.4374 in 11.110 mm |
| a | 0.1575 in 4.000 mm |
| F | 0.9843 in 25.000 mm |
| C1 | 0.0315 in 0.800 mm |
| h | 0.3125 in 7.938 mm |
| m | 0.2362 in 6.000 mm |
| 注油嘴尺寸 | NIP-B6 |
NTN CR30XLLH軸承尺寸圖
NTN軸承推薦
| NTN 6306ZZ軸承 | 描述:軸承型號:6306ZZ,單列深溝球軸承 - 雙面防塵蓋 |
| NTN 6814NC3軸承 | 描述:軸承型號:6814NC3,單列深溝球軸承 - 開式,帶止動環槽 |
| NTN 7012UAD軸承 | 描述:軸承型號:7012UAD,單列角接觸球軸承 - Ultage系列 |
| NTN 2LA-HSE028AD軸承 | 描述:軸承型號:2LA-HSE028AD,單列高速角接觸球軸承 - HSE Ultage系列 |
| NTN 67390/67324軸承 | 描述:軸承型號:67390/67324,圓錐滾子軸承 - 英制系列和J系列 |
| NTN 395ES軸承 | 描述:軸承型號:395ES,圓錐滾子軸承內圈 - 英制系列和J系列 |
| NTN NU2209E軸承 | 描述:軸承型號:NU2209E,圓柱滾子軸承 -可分離型,普通內圈,外圈帶兩個加強筋 - NU型 |
| NTN MU5218TL軸承 | 描述:軸承型號:MU5218TL,圓柱滾子軸承 - 不可分離型,內圈帶兩個加強筋,外圈帶兩個擋圈 |
| NTN BK2020C軸承 | 描述:軸承型號:BK2020C,沖壓外圈滾針軸承 - BK型 |
| NTN 1R35X40X30軸承 | 描述:軸承型號:1R35X40X30,內圈 |
進口軸承推薦
| NSK 24026CAMK30E4C3S11軸承 | 描述:7.72 kg,調心滾子軸承 |
| SKF 6310N軸承 | 描述:1.06 kg,單列深溝球軸承 |
| SKF 6306NR/W64軸承 | 描述:0.364 kg,單列深溝球軸承 |
| NACHI 61803-2Z軸承 | 描述:0.009 kg,單列深溝球軸承 |
| FAG 23028-E1-XL-K-TVPB-R25-50軸承 | 描述:6 kg,調心滾子軸承(X-life品質) |
MCGILL軸承推薦
| MCGILL BCCFE1SB軸承 | 基本尺寸,內徑:0.00000mm,外徑:25.40000mm,厚度:15.88000mm。 |
| MCGILL MR20N+MI16N軸承 | 基本尺寸,內徑:1.25000mm,外徑:1.75000mm,厚度:1.00000mm。 |
| MCGILL CF7/8S軸承 | 基本尺寸,內徑:0.00000mm,外徑:22.23000mm,厚度:12.70000mm。 |
| MCGILL BCFE2-1/2SB軸承 | 基本尺寸,內徑:0.00000mm,外徑:63.50000mm,厚度:38.10000mm。 |
| MCGILL CFH-4-SB軸承 | 基本尺寸,內徑:0.00000mm,外徑:101.60000mm,厚度:57.15000mm。 |

