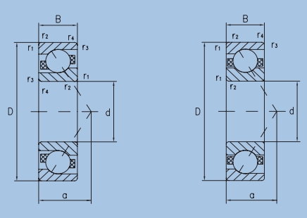
HRB 7202AC/P5TFTB軸承尺寸、參數與圖紙
| 外形尺寸 (mm) | |
| 軸承內徑 d | 15 |
| 軸承外徑 D | 35 |
| 軸承厚度 B | 11 |
| 倒角半徑 r1,2.min | 0.6 |
| 倒角半徑 r3,4.min | 0.3 |
| 擋肩和倒角尺寸 (mm) | |
| 內圈擋肩 da.min | 20 |
| 外圈擋肩 Da.max | 30 |
| 外圈擋肩 Db.max | 33 |
| 倒角半徑 ra.max | 0.6 |
| 倒角半徑 rb.max | 0.3 |
| 極限轉速-單列(r/min) | |
| 脂潤滑 | 43000 |
| 油潤滑 | 63000 |
| 極限轉速-組合(r/min) | |
| 脂潤滑 | 34000 |
| 油潤滑 | 50000 |
| 額定載荷-單列(kN) | |
| 額定動載荷 Cr | 8.89 |
| 額定靜載荷 Cor | 4.92 |
| 額定載荷-組合(kN) | |
| 額定動載荷 Cr | 14.4 |
| 額定靜載荷 Cor | 9.84 |
| 其他參數 | |
| 作用點位置 a | 12 mm |
| 參考重量 | 0.045 kg |
| 相關產品推薦 | |||
| 型號 | 市場價 | 喬峰價 | 庫存 |
| 7002CTA/P5軸承 | ¥19.5元 | 電話咨詢 | 5 |
| 7002CETA/P4軸承 | ¥66.3元 | 電話咨詢 | 210 |
| 7002ACTA/P4DBA軸承 | ¥128.7元 | 電話咨詢 | 11 |
| 7002ACTA/P5DTA軸承 | ¥53.3元 | 電話咨詢 | 30 |
| 7202CTA/P5DBB軸承 | ¥44.2元 | 電話咨詢 | 6 |
| 7202CETA/P4軸承 | ¥74.1元 | 電話咨詢 | 358 |
| 7202ACTA/TBTB/P4軸承 | ¥336.7元 | 電話咨詢 | 2 |
| 7202AC/P4DBB軸承 | ¥156元 | 電話咨詢 | 7 |
| 7202ACTA/DBB/P5軸承 | ¥61.1元 | 電話咨詢 | 139 |
角接觸球軸承推薦
| NSK 7236BMG軸承 | 基本尺寸,內徑:180.00000mm,外徑:320.00000mm,厚度:52.00000mm。 |
| NSK 7313BEAWSUB 5軸承 | 基本尺寸,內徑:65.00000mm,外徑:140.00000mm,厚度:33.00000mm。 |
| FAFNIR MM9310WI2HDUH軸承 | 基本尺寸,內徑:50.00000mm,外徑:72.00000mm,厚度:12.00000mm。 |
| FAG HCS71903-C-T-P4S-UL#E-K1軸承 | 基本尺寸,內徑:17.00000mm,外徑:30.00000mm,厚度:7.00000mm。 |
| NSK 7207ATYNDBTELP5 5軸承 | 基本尺寸,內徑:35.00000mm,外徑:72.00000mm,厚度:17.00000mm。 |
FAG軸承推薦
| FAG NJ2214-E-XL-M1A-C3軸承 | FAG NJ2214-E-XL-M1A-C3軸承,市場價:¥1708.25元,當前庫存2套,添加時間:2023-08-18 21:59:30 |
| FAG 23088-BEA-XL-K-MB1#E軸承 | FAG 23088-BEA-XL-K-MB1#E軸承,市場價:¥28575.29元,當前庫存10套,添加時間:2023-08-20 10:57:52 |
| FAG B71948-E-T-P4S-UL軸承 | FAG B71948-E-T-P4S-UL軸承,市場價:¥10099.61元,當前庫存1套,添加時間:2023-08-21 15:29:32 |
| FAG NU1008-XL-M1-C3軸承 | FAG NU1008-XL-M1-C3軸承,市場價:¥260.46元,當前庫存30套,添加時間:2023-08-18 21:23:18 |
| FAG 6006-H-C3軸承 | FAG 6006-H-C3軸承,市場價:¥8.40元,當前庫存180套,添加時間:2023-08-16 21:26:53 |
IKO軸承推薦
| IKO NAX1023Z軸承 | 基本尺寸,內徑:10.00000mm,外徑:24.00000mm,厚度:23.00000mm。 |
| IKO SB8513574軸承 | 基本尺寸,內徑:85.00000mm,外徑:135.00000mm,厚度:74.00000mm。 |
| IKO GTRI507745軸承 | 基本尺寸,內徑:50.00000mm,外徑:77.00000mm,厚度:45.00000mm。 |
| IKO SB80A軸承 | 基本尺寸,內徑:80.00000mm,外徑:130.00000mm,厚度:70.00000mm。 |
| IKO TA3815Z軸承 | 基本尺寸,內徑:38.00000mm,外徑:48.00000mm,厚度:15.00000mm。 |

