IBC 7208.E.T.P2H.X5.UM軸承尺寸、參數與圖紙
| 接觸角 | |
| 31000 ° | |
| 外形尺寸 (mm) | |
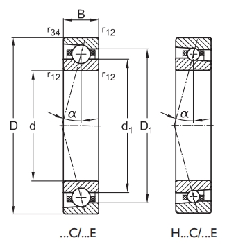
| 軸承內徑 d | 40 |
| 軸承外徑 D | 80 |
| 軸承厚度 B | 18 |
| 內圈外徑 d1 | 53.4 |
| 外圈內徑 D1 | 66.8 |
| 倒角半徑 r1,2.max | 1.1 |
| 倒角半徑 r3,4.max | 0.6 |
| 擋肩和倒角尺寸 (mm) | |
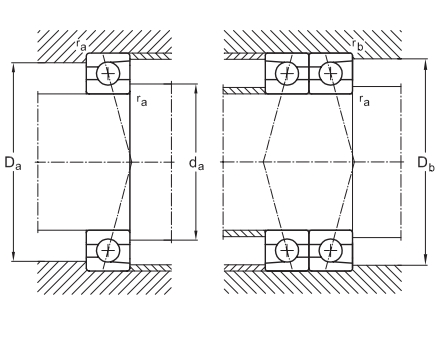
| 內圈擋肩 da.min | 48.2 |
| 外圈擋肩 Da.max | 71.8 |
| 外圈擋肩 Db.max | 71 |
| 倒角半徑 ra.max | 1.1 |
| 倒角半徑 rb.max | 0.6 |
| 額定載荷(N) | |
| 動態額定載荷 Cr | 31000 |
| 靜態徑向載荷 Cor | 21900 |
| 疲勞極限載荷 Cu | 811 |
| 極限轉速(r/min) | |
| 脂潤滑 | 16700 |
| 油/油霧潤滑 | 27900 |
| 超輕預緊 | |
| 預緊力 Fv | 100 N |
| 凸出量 δ | 4 μm |
| 軸向剛度 Sa | 90 N/μm |
| 徑向剛度 Sr | 180 N/μm |
| 卸載力 F.AK | 290 N |
| 輕型預緊 | |
| 預緊力 Fv | 210 N |
| 凸出量 δ | 6 μm |
| 軸向剛度 Sa | 110 N/μm |
| 徑向剛度 Sr | 230 N/μm |
| 卸載力 F.AK | 580 N |
| 中等預緊 | |
| 預緊力 Fv | 460 N |
| 凸出量 δ | 10 μm |
| 軸向剛度 Sa | 160 N/μm |
| 徑向剛度 Sr | 310 N/μm |
| 卸載力 F.AK | 1310 N |
| 重壓預緊 | |
| 預緊力 Fv | 920 N |
| 凸出量 δ | 16 μm |
| 軸向剛度 Sa | 210 N/μm |
| 徑向剛度 Sr | 430 N/μm |
| 卸載力 F.AK | 2610 N |
| 其他參數 | |
| 注入直徑 d.pi | 55.5 mm |
| 作用點位置 a | 23 mm |
| 精密鎖緊螺母型號 | MBA40 |
| 參考重量 | 0.363 kg |
| 相關產品推薦 | |||
| 型號 | 市場價 | 喬峰價 | 庫存 |
| 7208CTVPP5UL軸承 | ¥159.03元 | 電話咨詢 | 24 |
| 7208CTP2HUL軸承 | ¥584.36元 | 電話咨詢 | 1 |
| CB7208CTP4UL軸承 | ¥818.87元 | 電話咨詢 | 5 |
| 7208BTVP2RSZP5軸承 | ¥190.5元 | 電話咨詢 | 4 |
角接觸球軸承推薦
| GMN HYKH6008 2RZ C TXM P4 UL55N軸承 | 基本尺寸,內徑:40.00000mm,外徑:68.00000mm,厚度:15.00000mm。 |
| KOYO 7005-5DBLFGP0/00A軸承 | 基本尺寸,內徑:25.00000mm,外徑:47.00000mm,厚度:12.00000mm。 |
| TIMKEN 3MM9311WICRDUL軸承 | 基本尺寸,內徑:55.00000mm,外徑:80.00000mm,厚度:13.00000mm。 |
| TIMKEN 2MV9317WICRDUL軸承 | 基本尺寸,內徑:85.00000mm,外徑:120.00000mm,厚度:18.00000mm。 |
| NTN 7203CDB+3DGN/P5軸承 | 基本尺寸,內徑:17.00000mm,外徑:40.00000mm,厚度:12.00000mm。 |
FAG軸承推薦
| FAG 23236-E1A-XL-K-M-C4軸承 | FAG 23236-E1A-XL-K-M-C4軸承,市場價:¥12981.03元,當前庫存2套,添加時間:2023-08-20 14:06:16 |
| FAG 33022軸承 | FAG 33022軸承,市場價:¥368.98元,當前庫存193套,添加時間:2023-08-19 21:34:48 |
| FAG 1203-TVH#E軸承 | FAG 1203-TVH#E軸承,市場價:¥57.75元,當前庫存335套,添加時間:2023-08-18 12:05:05 |
| FAG 61896-MA軸承 | FAG 61896-MA軸承,市場價:¥29881.52元,當前庫存2套,添加時間:2023-08-17 15:44:53 |
| FAG HCB7000-C-T-P4S-UL軸承 | FAG HCB7000-C-T-P4S-UL軸承,市場價:¥907.73元,當前庫存4套,添加時間:2023-08-21 15:35:24 |
IKO軸承推薦
| IKO RNA4836軸承 | 基本尺寸,內徑:195.00000mm,外徑:225.00000mm,厚度:45.00000mm。 |
| IKO TAF354520軸承 | 基本尺寸,內徑:35.00000mm,外徑:45.00000mm,厚度:20.00000mm。 |
| IKO TAM3825軸承 | 基本尺寸,內徑:38.00000mm,外徑:48.00000mm,厚度:25.00000mm。 |
| IKO BA1216ZOH軸承 | 基本尺寸,內徑:19.05000mm,外徑:25.40000mm,厚度:25.40000mm。 |
| IKO TAFI304520軸承 | 基本尺寸,內徑:30.00000mm,外徑:45.00000mm,厚度:20.00000mm。 |

