KOYO 7003C-5GLFGP5U軸承尺寸、參數與圖紙
| 外形尺寸 (mm) | |
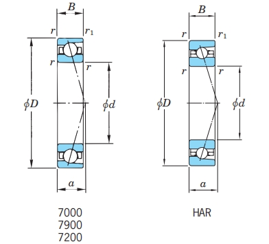
| 軸承內徑 d | 17 |
| 軸承外徑 D | 35 |
| 軸承厚度 B | 10 |
| 倒角半徑 r.min | 0.3 |
| 倒角半徑 r1.min | 0.15 |
| 倒角半徑 r2.min | - |
| 潤滑油槽尺寸 (mm) | |
| 油槽邊距 S | - |
| 油槽寬度 W | - |
| 安裝尺寸 (mm) | |
| 內圈擋肩 da.min | 19.5 |
| 內圈擋肩 db.min | - |
| 外圈擋肩 Da.max | 32.5 |
| 外圈擋肩 Db.max | 33.8 |
| 倒角半徑 ra.max | 0.3 |
| 倒角半徑 rb.max | 0.15 |
| 倒角半徑 rc.max | - |
| 額定載荷(kN) | |
| 動態額定載荷 Cr | 9.15 |
| 靜態徑向載荷 Cor | 4.45 |
| 疲勞極限載荷 Cu | 0.23 |
| 允許軸向靜載荷 | 2.9 |
| 極限轉速(r/min) | |
| 脂潤滑 | 44000 |
| 油潤滑 | 71000 |
| 其他參數 | |
| 計算系數 fo | 14.6 |
| 作用點位置 a | 8.6 mm |
| 參考重量(單列) | 0.045 kg |
| 間隙容積 | 1.8 立方厘米/列 |
| 螺母軸向張力 | 3000 N |
| 固定板過盈量 | 0.01-0.02 mm |
| 相關產品推薦 | |||
| 型號 | 市場價 | 喬峰價 | 庫存 |
| 7003CP5軸承 | ¥150.15元 | 電話咨詢 | 4 |
| 7003C-5GL FGP4U00軸承 | ¥194.91元 | 電話咨詢 | 104 |
| 7003C-5GL FGP4U00 A軸承 | ¥207.65元 | 電話咨詢 | 35 |
角接觸球軸承推薦
| SKF BTW100CTN9/SPVQ721軸承 | 基本尺寸,內徑:100.00000mm,外徑:150.00000mm,厚度:60.00000mm。 |
| NTN 7304BDBPX7V7軸承 | 基本尺寸,內徑:20.00000mm,外徑:52.00000mm,厚度:15.00000mm。 |
| NSK 7202CTDBP4軸承 | 基本尺寸,內徑:15.00000mm,外徑:35.00000mm,厚度:11.00000mm。 |
| IBC 71901.E.T.P4.UL軸承 | 基本尺寸,內徑:12.00000mm,外徑:24.00000mm,厚度:6.00000mm。 |
| GMN HYS61909ETAP4+DUL軸承 | 基本尺寸,內徑:45.00000mm,外徑:68.00000mm,厚度:12.00000mm。 |
FAG軸承推薦
| FAG 7313-B-XL-MP-P5-UO軸承 | FAG 7313-B-XL-MP-P5-UO軸承,市場價:¥2418.93元,當前庫存2套,添加時間:2023-08-17 21:35:52 |
| FAG 23072-BEA-XL-K-MB1軸承 | FAG 23072-BEA-XL-K-MB1軸承,市場價:¥19213.05元,當前庫存3套,添加時間:2023-08-20 18:05:45 |
| FAG 2307-2RS-TVH-C3軸承 | FAG 2307-2RS-TVH-C3軸承,市場價:¥473.51元,當前庫存3套,添加時間:2023-08-18 12:20:36 |
| FAG 234414-M-SP軸承 | FAG 234414-M-SP軸承,市場價:¥3064.17元,當前庫存55套,添加時間:2023-08-22 11:40:48 |
| FAG UC217-55軸承 | FAG UC217-55軸承,市場價:¥958.94元,當前庫存3套,添加時間:2023-08-18 20:24:03 |
IKO軸承推薦
| IKO GE6G軸承 | 基本尺寸,內徑:6.00000mm,外徑:16.00000mm,厚度:9.00000mm。 |
| IKO BRI183020軸承 | 基本尺寸,內徑:28.57500mm,外徑:47.62500mm,厚度:31.75000mm。 |
| IKO YB1210軸承 | 基本尺寸,內徑:19.05000mm,外徑:25.40000mm,厚度:15.88000mm。 |
| IKO NTB1024軸承 | 基本尺寸,內徑:10.00000mm,外徑:24.00000mm,厚度:2.00000mm。 |
| IKO YB148/MF3軸承 | 基本尺寸,內徑:22.22500mm,外徑:28.57500mm,厚度:12.70000mm。 |

