NTN 562940/GMP5軸承尺寸、參數與圖紙
| 外形尺寸 (mm) | |
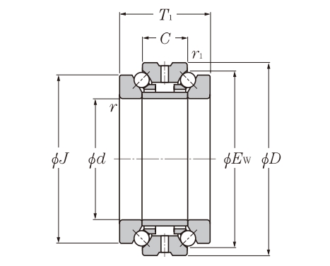
| 軸承內徑(小徑型) d | 200 |
| 軸承內徑(大徑型) d | 207 |
| 軸承外徑 D | 280 |
| 軸承總厚度 T1 | 96 |
| 軸承外圈厚度 C | 48 |
| 倒角半徑 rs.min | 2.1 |
| 倒角半徑 r1s.min | 1.1 |
| 參考尺寸 (mm) | |
| 外圈外徑 J | 252 |
| 滾珠圈外徑 Ew | 261 |
| 油槽寬度 Wo | 14 |
| 油孔直徑 do | 6 |
| 安裝相關尺寸 (mm) | |
| 內圈外徑 da.min | 231 |
| 外圈內徑 Db.max | 270 |
| 倒角半徑 ras.max | 2 |
| 倒角半徑 r1as.max | 1 |
| 基本額定載荷(kN) | |
| 額定動載荷 Ca | 185 |
| 額定靜載荷 Coa | 735 |
| 基本額定載荷(kgf) | |
| 額定動載荷 Ca | 18800 |
| 額定靜載荷 Coa | 75000 |
| 極限轉速(r/min) | |
| 脂潤滑 | 1600 |
| 油潤滑 | 2100 |
| 其他參數 | |
| 單列參考重量(小徑型) | 16.3 kg |
| 單列參考重量(大徑型) | 14.7 kg |
| 相關產品推薦 | |||
| 型號 | 市場價 | 喬峰價 | 庫存 |
| 562948W4/GNP4軸承 | ¥13650元 | 電話咨詢 | 1 |
角接觸球軸承推薦
| NSK 7204BSUA12P6軸承 | 基本尺寸,內徑:20.00000mm,外徑:47.00000mm,厚度:14.00000mm。 |
| HRB 7302AC/DFA/P5軸承 | 基本尺寸,內徑:15.00000mm,外徑:42.00000mm,厚度:13.00000mm。 |
| SKF 71803ACDGA/HCP4軸承 | 基本尺寸,內徑:17.00000mm,外徑:26.00000mm,厚度:5.00000mm。 |
| FAG B71940-E-T-P4S-QBCM軸承 | 基本尺寸,內徑:200.00000mm,外徑:280.00000mm,厚度:38.00000mm。 |
| KOYO 7318DF軸承 | 基本尺寸,內徑:90.00000mm,外徑:190.00000mm,厚度:86.00000mm。 |
FAG軸承推薦
| FAG 23338-A-MA-T41A軸承 | FAG 23338-A-MA-T41A軸承,市場價:¥17031.13元,當前庫存1套,添加時間:2023-08-20 18:24:32 |
| FAG 52211軸承 | FAG 52211軸承,市場價:¥265.60元,當前庫存13套,添加時間:2023-08-18 15:04:30 |
| FAG HC7012-EDLR-T-P4S-UL軸承 | FAG HC7012-EDLR-T-P4S-UL軸承,市場價:¥2205.00元,當前庫存2套,添加時間:2023-08-21 16:17:41 |
| FAG 23240-BE-XL-H151B-C3軸承 | FAG 23240-BE-XL-H151B-C3軸承,市場價:¥19055.73元,當前庫存1套,添加時間:2023-08-20 14:23:28 |
| FAG 6000-C軸承 | FAG 6000-C軸承,市場價:¥3.47元,當前庫存10套,添加時間:2023-08-15 15:23:39 |
IKO軸承推薦
| IKO GTRI426230軸承 | 基本尺寸,內徑:42.00000mm,外徑:62.00000mm,厚度:30.00000mm。 |
| IKO NTB1024軸承 | 基本尺寸,內徑:10.00000mm,外徑:24.00000mm,厚度:2.00000mm。 |
| IKO NAS5056軸承 | 基本尺寸,內徑:280.00000mm,外徑:420.00000mm,厚度:190.00000mm。 |
| IKO CF20-1G軸承 | 基本尺寸,內徑:20.00000mm,外徑:47.00000mm,厚度:24.00000mm。 |
| IKO AZ8015026軸承 | 基本尺寸,內徑:80.00000mm,外徑:150.00000mm,厚度:26.00000mm。 |

