NMB DDRIF-8516ZZ軸承尺寸、參數與圖紙
| 基本尺寸 (mm) | |
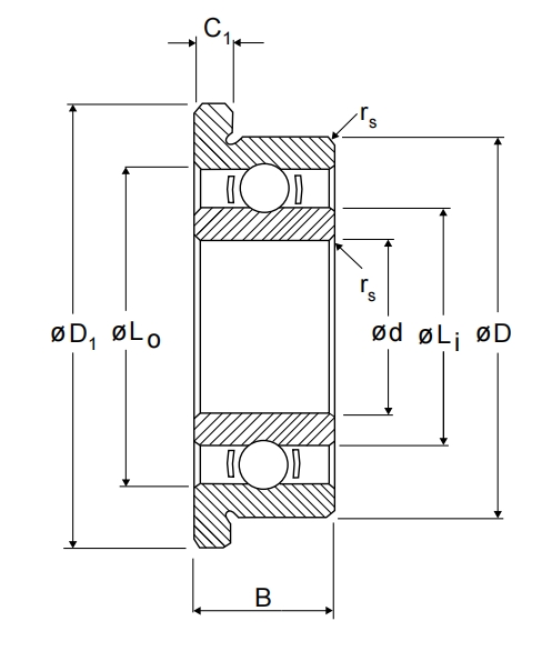
| 軸承內徑 d | 7.938 |
| 軸承外徑 D | 12.7 |
| 軸承厚度 B | 3.967 |
| 密封型軸承厚度 B | 3.967 |
| 倒角半徑 rs(min) | 0.13 |
| 法蘭外徑 D1 | 13.89 |
| 開式軸承法蘭厚度 C1 | 0.79 |
| 密封式軸承法蘭厚度 C1 | 0.79 |
| 基本尺寸 (in) | |
| 軸承內徑 d | 0.3125 |
| 軸承外徑 D | 0.5 |
| 開式軸承厚度 B | 0.1562 |
| 密封型軸承厚度 B | 0.1562 |
| 倒角半徑 rs(min) | 0.005 |
| 法蘭外徑 D1 | 0.547 |
| 開式軸承法蘭厚度 C1 | 0.031 |
| 密封式軸承法蘭厚度 C1 | 0.031 |
| 安裝尺寸 (mm) | |
| 開式軸承外圈內徑 Lo | 0.45 |
| 開式軸承內圈外徑 Li | 0.362 |
| 密封式軸承外圈內徑 Lo | 0.463 |
| 密封式軸承內圈外徑 Li | 0.362 |
| 載荷(N) | |
| 基本動載荷 | 878 |
| 基本靜載荷 | 419 |
| 滾珠參數 | |
| 數量 Z | 11 |
| 直徑(mm) Dw | 1.5875 |
微型軸承推薦
| EZO 6810ZZ軸承 | 基本尺寸,內徑:50.00000mm,外徑:65.00000mm,厚度:7.00000mm。 |
| EZO R4A EE2軸承 | 基本尺寸,內徑:0.25000mm,外徑:0.75000mm,厚度:0.21880mm。 |
| NMB DDR-825ZZY82MTRA1P24 LY121軸承 | 基本尺寸,內徑:2.50000mm,外徑:8.00000mm,厚度:2.80000mm。 |
| EZO MR74 AF2軸承 | 基本尺寸,內徑:4.00000mm,外徑:7.00000mm,厚度:2.00000mm。 |
| NMB R-1660HHB18MTRA1P24LY519軸承 | 基本尺寸,內徑:6.00000mm,外徑:16.00000mm,厚度:5.00000mm。 |
FAG軸承推薦
| FAG 6006-2ZR軸承 | FAG 6006-2ZR軸承,市場價:¥11.55元,當前庫存3套,添加時間:2023-08-16 21:27:22 |
| FAG 23248-BE-XL-K-C4軸承 | FAG 23248-BE-XL-K-C4軸承,市場價:¥28293.14元,當前庫存2套,添加時間:2023-08-20 14:33:15 |
| FAG 7215-B-XL-TVP-UA軸承 | FAG 7215-B-XL-TVP-UA軸承,市場價:¥758.71元,當前庫存3套,添加時間:2023-08-17 21:46:24 |
| FAG 3303-BD-XL-TVH-L285軸承 | FAG 3303-BD-XL-TVH-L285軸承,市場價:¥131.25元,當前庫存303套,添加時間:2023-08-17 19:12:45 |
| FAG B7034-E-T-P4S-UL軸承 | FAG B7034-E-T-P4S-UL軸承,市場價:¥6417.11元,當前庫存20套,添加時間:2023-08-21 15:28:08 |
IKO軸承推薦
| IKO SB152613軸承 | 基本尺寸,內徑:15.00000mm,外徑:26.00000mm,厚度:13.00000mm。 |
| IKO TAF152316OG軸承 | 基本尺寸,內徑:15.00000mm,外徑:23.00000mm,厚度:16.00000mm。 |
| IKO BAM1418軸承 | 基本尺寸,內徑:22.22500mm,外徑:28.57500mm,厚度:28.58000mm。 |
| IKO TA4030Z軸承 | 基本尺寸,內徑:40.00000mm,外徑:50.00000mm,厚度:30.00000mm。 |
| IKO TAF475720軸承 | 基本尺寸,內徑:47.00000mm,外徑:57.00000mm,厚度:20.00000mm。 |

