NTN 5S-2LA-HSL910UC軸承代號說明
5
S
-
2
L
A
-
H
S
L
9
1
0
U
C
5S-:陶瓷球軸承
2LA-:改進表面處理的特殊材料
HSL:環保型角接觸球軸承HSL Ultage型,默認接觸角 20o
9:尺寸系列:19系列
10:內徑:50 mm
U:Ultage 標準
C:接觸角 15o
5S-:
陶瓷球軸承
2LA-:
改進表面處理的特殊材料
HSL:
環保型角接觸球軸承HSL Ultage型,默認接觸角 20o
9:
尺寸系列:19系列
10:
內徑:50 mm
U:
Ultage 標準
C:
接觸角 15o
NTN 5S-2LA-HSL910UC軸承技術規格
| 類型 | 角接觸球軸承 |
| 內孔型式 | 圓柱孔 |
| 材質 | 高碳鉻鋼 |
| 保持架型式 | 機加工 |
| 保持架材質 | 酚醛樹脂 |
| 滾珠材質 | 鋼 |
| 極限轉速-油潤滑 | 42400轉/分鐘 |
| 結構 | 單列 |
| 系數 | 7.6 |
| 基本額定靜載荷 | 1270 lbf 5650 N 5.65 kN |
| 基本額定動載荷 | 2470 lbf 11000 N 11.00 kN |
| 附件 | 開式 |
| 應用溫度范圍 | -40 to 250 oF -40 to 120 oC |
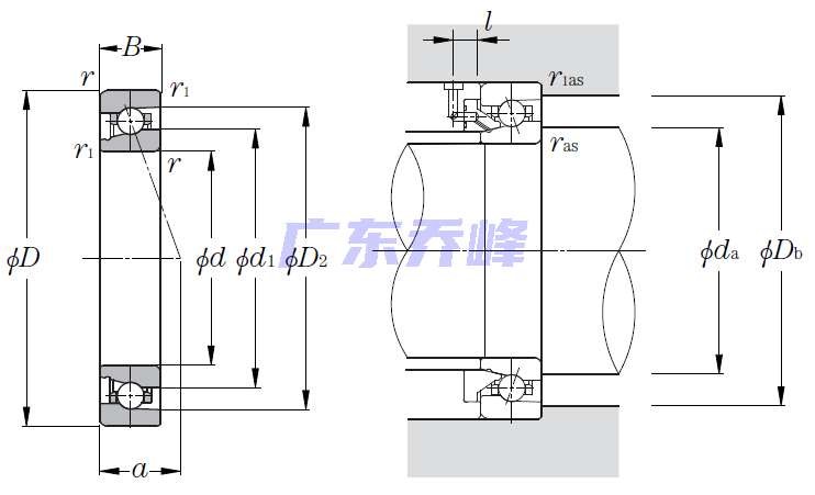
NTN 5S-2LA-HSL910UC軸承尺寸規格
| 環保型角接觸球軸承 - HSL Ultage系列 - 尺寸 | |
| d | 1.9685 in 50.000 mm |
| D | 2.8346 in 72.000 mm |
| B | 0.4724 in 12.000 mm |
| d1 | 2.2677 in 57.600 mm |
| D2 | 2.6299 in 66.800 mm |
| r | 0.0236 in 0.600 mm |
| r1 | 0.0118 in 0.300 mm |
| 接觸角 | 15 o |
| a | 0.7992 in 20.300 mm |
| da min | 2.1457 in 54.500 mm |
| Db max | 2.7362 in 69.500 mm |
| r1as max | 0.0118 in 0.300 mm |
| l min | 0.3346 in 8.500 mm |
| 雙列寬度 | 0.9449 in 24.000 mm |
| 三列寬度 | 1.4173 in 36.000 mm |
| 四列寬度 | 1.8898 in 48.000 mm |
NTN 5S-2LA-HSL910UC軸承尺寸圖
NTN軸承推薦
| NTN 6904LLBC4軸承 | 描述:軸承型號:6904LLBC4,單列深溝球軸承 - 雙面密封(非接觸式橡膠密封) |
| NTN 6808JRNR軸承 | 描述:軸承型號:6808NR,單列深溝球軸承 - 開式帶止動環 |
| NTN 7915UAD軸承 | 描述:軸承型號:7915UAD,單列角接觸球軸承 - Ultage系列 |
| NTN A-UCX15-214D1軸承 | 描述:軸承型號:A-UCX15-214D1,超一流帶緊定螺釘的外球面軸承,寬外圈 - 球面外圈 |
| NTN UC213HT2D1軸承 | 描述:軸承型號:UC213HT2D1,帶緊定螺釘的外球面軸承,寬外圈 - 球面外圈 |
| NTN 47623A軸承 | 描述:軸承型號:47623A,圓錐滾子軸承外圈 - 英制系列和J系列 |
| NTN 32910XU軸承 | 描述:軸承型號:32910X,圓錐滾子軸承 - 公制系列 |
| NTN NNU4948K軸承 | 描述:軸承型號:NNU4948K,雙列圓柱滾子軸承 - 圓錐孔 - NN型U |
| NTN E-4R15207軸承 | 描述:軸承型號:E-4R15207,四列圓柱滾子軸承帶空心滾柱&銷式保持架 |
| NTN NKS24+1R17X24X20軸承 | 描述:軸承型號:NKS24+1R17X24X20,機加工滾針軸承帶內圈 - NK+1R,NKS+1R系列 |
進口軸承推薦
| NSK 22230CAMKE4C3S11軸承 | 描述:17 kg,調心滾子軸承 |
| FAG 6200-C-2Z-L038>V軸承 | 描述:0.032 kg, |
| NSK 6001UC3E軸承 | 描述:0.022 kg,單列深溝球軸承 |
| FAG 23148E1軸承 | 描述:63.85 kg,調心滾子軸承(X-life品質) |
| NMB L-630ZZ軸承 | 描述:0.0002 kg,單列深溝球軸承 |
MCGILL軸承推薦
| MCGILL MCFR-19-S-TMS1軸承 | 基本尺寸,內徑:0.00000mm,外徑:19.00000mm,厚度:11.00000mm。 |
| MCGILL MCF26ASBX軸承 | 基本尺寸,內徑:0.00000mm,外徑:26.00000mm,厚度:12.00000mm。 |
| MCGILL BCCFE1-3/8S軸承 | 基本尺寸,內徑:0.00000mm,外徑:34.93000mm,厚度:19.05000mm。 |
| MCGILL MCYR50SX軸承 | 基本尺寸,內徑:50.00000mm,外徑:90.00000mm,厚度:35.00000mm。 |
| MCGILL ROLLWAY-NJ2218EMC3軸承 | 基本尺寸,內徑:90.00000mm,外徑:160.00000mm,厚度:40.00000mm。 |

