NTN ASPT203-011-10軸承技術規格
| 類型 | 迷你型框架式軸承座 |
| 軸承類型 | 滾珠軸承 |
| 鎖緊裝置 | 緊定螺釘 |
| 軸承型號 | AS203-011 |
| 性能 | 輕型 |
| 基本額定動載荷 | 2160 lbf 9600 N 9.60 kN |
| 基本額定靜載荷 | 1030 lbf 4600 N 4.60 kN |
| 最大推薦負荷 | 770 lbf 3500 N |
| 極限轉速 | 8000轉/分鐘 |
| 重量 | 2.400 lb 1.100 kg |
| 應用溫度范圍 | -40 to 250 oF -40 to 120 oC |
| 潤滑方式 | 不可再潤滑 |
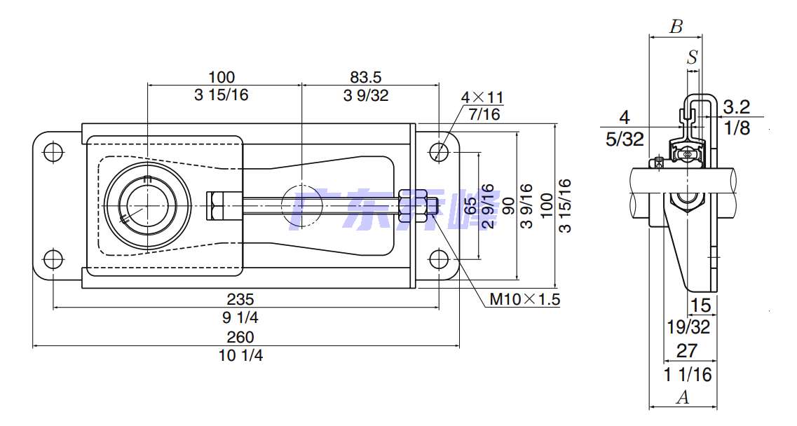
NTN ASPT203-011-10軸承尺寸規格
| 迷你型框架式軸承座,帶緊定螺釘,ASPT型 - 尺寸 | |
| d | 0.6875 in 17.463 mm |
| A | 1.2187 in 31.000 mm |
| B | 0.8661 in 22.000 mm |
| S | 0.2362 in 6.000 mm |
NTN ASPT203-011-10軸承尺寸圖
NTN ASPT203-011-10軸承同尺寸型號
| ASPT203-011-10 | 詳細尺寸,d:17.463mm,b:31.000mm |
| UC203-011D1 | 詳細尺寸,d:17.463mm,dD:47.000mm,c:18.000mm,b:31.000mm,r:0.600mm |
| UCS203-011LD1N | 詳細尺寸,d:17.463mm,dD:47.000mm,c:17.000mm,b:31.000mm,r:0.600mm |
| A-UC203-011D1 | 詳細尺寸,d:17.463mm,dD:47.000mm,c:18.000mm,b:31.000mm,r:0.600mm |
| 共計找到4條記錄 | |
NTN ASPT203-011-10軸承相關配件/適用型號
| AS203-011 | 詳細尺寸,d:17.463mm,dD:40.000mm,c:12.000mm,b:22.000mm,r:0.600mm |
NTN軸承推薦
| NTN 6003L1CP4軸承 | 描述:軸承型號:6003L1CP4,單列深溝球軸承 - 開式 |
| NTN R18LLBC3軸承 | 描述:軸承型號:R18LLBC3,單列深溝球軸承 - 雙面密封(非接觸式橡膠密封) |
| NTN 88512軸承 | 描述:軸承型號:88512,單列深溝球軸承 - 雙面密封(接觸式橡膠密封),88000系列 |
| NTN HSB013CDTBT/GLP4軸承 | 描述:軸承型號:HSB013CDTBT/GLP4,超高速多列角接觸球軸承,串聯配對 |
| NTN 51330軸承 | 描述:軸承型號:51330,單向推力球軸承 |
| NTN 389/383A軸承 | 描述:軸承型號:389/383A,圓錐滾子軸承 - 英制系列和J系列 |
| NTN 4T-42375/42587DW#02軸承 | 描述:軸承型號:4T-42375/42587DW#02,圓錐滾子軸承 - 英制系列和J系列 |
| NTN 4R4028軸承 | 描述:軸承型號:4R4028,四列圓柱滾子軸承帶實心滾子&機加工保持架 |
| NTN MR1314軸承 | 描述:軸承型號:MR1314,內圈帶一個加強筋,不帶滾子 |
| NTN NJ1007軸承 | 描述:軸承型號:NJ1007,圓柱滾子軸承 -可分離型內圈帶一個加強筋,外圈帶兩個加強筋 |
進口軸承推薦
| FAG 20206-K-MB-C3軸承 | 描述:0.28 kg,調心滾子軸承 |
| GMN S6205C TA UP DUL軸承 | 描述:0.28 kg, 單列角接觸球軸承 |
| FAFNIR 2MM205WICRDUL軸承 | 描述:0.28 kg, 單列角接觸球軸承 |
| SKF 22248CCK/W33軸承 | 描述:84 kg,調心滾子軸承 |
| FAG 22260MB軸承 | 描述:143 kg,調心滾子軸承 |
MCGILL軸承推薦
| MCGILL GR72+MI62軸承 | 基本尺寸,內徑:4.50000mm,外徑:6.00000mm,厚度:2.25000mm。 |
| MCGILL CF4S軸承 | 基本尺寸,內徑:0.00000mm,外徑:101.60000mm,厚度:57.15000mm。 |
| MCGILL MR24+MI20軸承 | 基本尺寸,內徑:1.50000mm,外徑:2.06250mm,厚度:1.25000mm。 |
| MCGILL BCYR2-3/4S軸承 | 基本尺寸,內徑:19.05000mm,外徑:69.85000mm,厚度:38.10000mm。 |
| MCGILL CCFH6SB軸承 | 基本尺寸,內徑:0.00000mm,外徑:152.40000mm,厚度:82.55000mm。 |

