NTN C-UKTX07D1 (when used with HS2307)軸承技術規格
| 類型 | 滑塊式軸承座 |
| 軸承類型 | 滾珠軸承 |
| 密封型式 | 接觸式 |
| 密封圈材質 | 丁腈橡膠 |
| 鎖緊裝置 | 緊定襯套 |
| 軸承型號 | UKX07D1 |
| 殼體材質 | 鑄鐵 |
| 軸承座型號 | TX07D1 |
| 性能 | 中型 |
| 基本額定動載荷 | 6550 lbf 29100 N 29.10 kN |
| 基本額定靜載荷 | 4000 lbf 17800 N 17.80 kN |
| 重量 | 7.700 lb 3.500 kg |
| 應用溫度范圍 | -40 to 250 oF -40 to 120 oC |
| 潤滑方式 | 可再潤滑 |
NTN C-UKTX07D1 (when used with HS2307)軸承尺寸規格
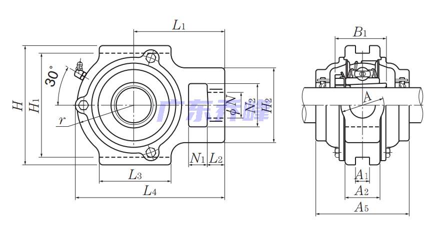
| 滑塊式軸承座,鑄造外殼,帶緊定襯套,鑄造防塵蓋,開式端蓋,UKT型 - 尺寸 | |
| d | 1.1250 in 28.575 mm |
| L | 5.6562 in 144.0 mm |
| H | 4.5000 in 114.0 mm |
| A5 | 3.5312 in 90.000 mm |
| H1 | 4.0156 in 102.0 mm |
| H2 | 3.2812 in 83.0 mm |
| L1 | 3.4687 in 88.0 mm |
| L2 | 0.6562 in 17.0 mm |
| L3 | 3.2812 in 83.0 mm |
| N | 1.1562 in 29.0 mm |
| N1 | 0.7500 in 19.0 mm |
| N2 | 1.9375 in 49.0 mm |
| A | 1.9375 in 49.0 mm |
| A1 | 0.6300 in 16.0 mm |
| A2 | 1.4062 in 36.0 mm |
| r | 2.2187 in 56.0 mm |
| B1 | 1.8110 in 43.000 mm |
| F | 0.1772 in 4.500 mm |
| 注意 | 銷售圖紙反映的是不帶緊定襯套的尺寸,實際上是帶的,因此需要注意。如不能很好把握,可直接致電020-81178086咨詢我們。 |
NTN C-UKTX07D1 (when used with HS2307)軸承尺寸圖
NTN C-UKTX07D1 (when used with HS2307)軸承同尺寸型號
| CM-UKTX07D1 (when used with HS2307) | 詳細尺寸,d:28.575mm,h:114.00000mm,bi:90.000mm,r:144.000mm,r2max:102.000mm |
| C-UKTX07D1 (when used with HS2307) | 詳細尺寸,d:28.575mm,h:114.00000mm,bi:90.000mm,r:144.000mm,r2max:102.000mm |
| 共計找到2條記錄 | |
NTN C-UKTX07D1 (when used with HS2307)軸承相關配件/適用型號
| UKX07D1 | 詳細尺寸,d:35.000mm,dD:80.000mm,c:21.000mm,b:31.000mm |
NTN軸承推薦
| NTN 6202LUNR軸承 | 描述:軸承型號:6202LUNR,單列深溝球軸承 - 單面密封(接觸式橡膠密封)帶止動環 |
| NTN 6003LLBNR軸承 | 描述:軸承型號:6003LLBNR,單列深溝球軸承 - 雙面密封(非接觸式橡膠密封)帶止動環 |
| NTN 6810JRZN軸承 | 描述:軸承型號:6810ZN,單列深溝球軸承 - 單面防塵蓋帶止動環槽 |
| NTN 5S-HTA026UT2DB/GNUP-21軸承 | 描述:軸承型號:5S-HTA026UT2DB/GNUP-21,軸向載荷雙聯角接觸球軸承 - HTA型 |
| NTN CH71901CVDUJ74軸承 | 描述:軸承型號:CH71901CVDUJ74,雙列混合陶瓷角接觸球軸承,高精度 - 萬能平頂軸承 |
| NTN MLE71915HV軸承 | 描述:軸承型號:MLE71915HV,密封角接觸球軸承 - 接觸角 25°,標準精度 |
| NTN 2LA-BNS020ADLLB軸承 | 描述:軸承型號:2LA-BNS020ADLLB,密封高速角接觸球軸承 - BNS Ultage系列 |
| NTN 7005L1軸承 | 描述:軸承型號:7005L1,單列角接觸球軸承 - 開式 |
| NTN UC216D1軸承 | 描述:軸承型號:UC216D1,帶緊定螺釘的外球面軸承,寬外圈 - 球面外圈 |
| NTN 05075/05185軸承 | 描述:軸承型號:05075/05185,圓錐滾子軸承 - 英制系列和J系列 |
進口軸承推薦
| FAG 20236MB軸承 | 描述:18.6 kg,調心滾子軸承 |
| SKF 6207-2RS1N/QE6軸承 | 描述:0.294 kg,單列深溝球軸承 |
| SNR 22205EAB33J30軸承 | 描述:0.155 kg,調心滾子軸承 |
| FAG 6305-2Z-X105軸承 | 描述:0.234 kg,單列深溝球軸承 |
| NSK 6410NR軸承 | 描述:1.88 kg,單列深溝球軸承 |
MCGILL軸承推薦
| MCGILL MR40SS+MI32軸承 | 基本尺寸,內徑:2.50000mm,外徑:3.25000mm,厚度:1.75000mm。 |
| MCGILL MCFRE22SB軸承 | 基本尺寸,內徑:0.00000mm,外徑:22.00000mm,厚度:12.00000mm。 |
| MCGILL GR68SS+MI58軸承 | 基本尺寸,內徑:4.25000mm,外徑:5.25000mm,厚度:2.00000mm。 |
| MCGILL ROLLWAY-N317EM軸承 | 基本尺寸,內徑:85.00000mm,外徑:180.00000mm,厚度:41.00000mm。 |
| MCGILL ROLLWAY-NU2314EMC3軸承 | 基本尺寸,內徑:70.00000mm,外徑:150.00000mm,厚度:51.00000mm。 |

