NTN KRVT80X軸承技術規格
| 類型 | 凸輪從動軸承 |
| 材質 | 淬透鋼 |
| 螺紋類型 | 公制 |
| 保持架材質 | 無 |
| 極限轉速-油潤滑 | 3500轉/分鐘 |
| 極限轉速-脂潤滑 | 2600轉/分鐘 |
| 滾子型式 | 圓柱型 |
| 螺柱類型 | 公制 |
| 軸承類型 | 滾針軸承 |
| 外圈類型 | 圓柱型 |
| 附件 | 開式 |
| 驅動裝置型式 | 插入式 |
| 結構 | 單列 |
| 扭矩 | 360.0 N ·m |
| 基本額定靜載荷 | 33000 lbf 147000 N |
| 基本額定動載荷 | 13000 lbf 58000 N |
| 軌道額定載荷 | 11900 lbf 53000 N |
| 重量 | 3.439 lb 1.560 kg |
| 應用溫度范圍 | -40 to 250 oF -40 to 120 oC |
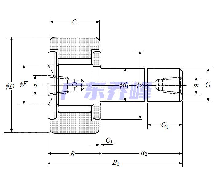
NTN KRVT80X軸承尺寸規格
| 凸輪從動螺柱式滾輪軸承 - 圓柱內徑,KRVT型 - 尺寸 | |
| G | M30x1.5 |
| B1 | 2.4803 in 63.000 mm |
| B2 | 2.4803 in 63.000 mm |
| D | 3.1496 in 80.000 mm |
| D公差 | 0/-0.0020 in 0/-0.050 mm |
| B | 1.4567 in 37.000 mm |
| C | 1.3780 in 35.000 mm |
| d1 | 1.1811 in 30.000 mm |
| d1公差 | 0/-0.0008 in 0/-0.021 mm |
| G1 | 1.2598 in 32.000 mm |
| e | 2.0866 in 53.000 mm |
| F | 1.4961 in 38.000 mm |
| C1 | 0.0394 in 1.000 mm |
| n | PT1/8 |
| m | PT1/8 |
| 注油嘴尺寸 | A-PT1/8 |
NTN KRVT80X軸承尺寸圖
NTN軸承推薦
| NTN 606ZZ軸承 | 描述:軸承型號:606ZZ,單列深溝球軸承 - 雙面防塵蓋 |
| NTN 6204ZZN軸承 | 描述:軸承型號:6204ZZN,單列深溝球軸承 - 雙面防塵蓋,帶止動環槽 |
| NTN 5210SZZG15軸承 | 描述:軸承型號:5210ZZG15,雙列角接觸球軸承 - 雙面防塵蓋 |
| NTN 7912U軸承 | 描述:軸承型號:7912U,單列角接觸球軸承 - Ultage系列 |
| NTN MLE71906CV軸承 | 描述:軸承型號:MLE71906CV,密封角接觸球軸承 - 接觸角 25°,標準精度 |
| NTN UEL210-113D1軸承 | 描述:軸承型號:UEL210-113D1,帶偏心鎖緊套的外球面軸承,寬外圈 - 球面外圈 |
| NTN HM617049軸承 | 描述:軸承型號:HM617049,圓錐滾子軸承內圈 - 英制系列和J系列 |
| NTN RNA5922軸承 | 描述:軸承型號:RNA5922,機加工滾針軸承不帶內圈 - RNA49.R,RNA59,RNA69.R,NK.R,MR系列 |
| NTN ARA82132軸承 | 描述:軸承型號:ARA82132,雙列推力滾子軸承 - ARA型 |
| NTN 22240EAD1C3軸承 | 描述:軸承型號:22240EAW33C3,調心滾子軸承 - 圓柱孔&注油槽,222系列 |
進口軸承推薦
| SKF 629-2ZTN9/C3LT軸承 | 描述:0.019 kg,單列深溝球軸承 |
| FAG 23268-E1A-MB1-C2軸承 | 描述:299 kg,調心滾子軸承(X-life品質) |
| NTN 6010DD軸承 | 描述:0.265 kg,單列深溝球軸承 |
| INA 61800-2Z-HLU軸承 | 描述:0.0051 kg,單列深溝球軸承 |
| SKF S7011CDGA/VQ126軸承 | 描述:0.38 kg |
MCGILL軸承推薦
| MCGILL MR104N+MI88N軸承 | 基本尺寸,內徑:6.50000mm,外徑:8.00000mm,厚度:2.50000mm。 |
| MCGILL BCF1-1/2SB軸承 | 基本尺寸,內徑:0.00000mm,外徑:38.10000mm,厚度:22.23000mm。 |
| MCGILL GR10N+MI6N軸承 | 基本尺寸,內徑:0.62500mm,外徑:1.12500mm,厚度:0.75000mm。 |
| MCGILL CF-2.1/4-S軸承 | 基本尺寸,內徑:0.00000mm,外徑:57.15000mm,厚度:31.75000mm。 |
| MCGILL CF4S軸承 | 基本尺寸,內徑:0.00000mm,外徑:101.60000mm,厚度:57.15000mm。 |

