NTN NA4914S軸承技術規格
| 類型 | 游隙可調滾針軸承 |
| 內孔型式 | 圓柱孔 |
| 材質 | 高碳鉻鋼 |
| 保持架材質 | 鋼 |
| 極限轉速-油潤滑 | 5000轉/分鐘 |
| 極限轉速-脂潤滑 | 3300轉/分鐘 |
| 精度 | ISO Class 0 |
| 結構 | 單列 |
| 附件 | 開式 |
| 軸承設計型式 | 帶內圈 |
| 注油孔 | 帶注油孔 |
| 徑向游隙 | CN |
| 基本額定靜載荷 | 21100 lbf 94000 N 94.00 kN |
| 基本額定動載荷 | 10000 lbf 44500 N 44.50 kN |
| 重量 | 1.519 lb 0.689 kg |
| 應用溫度范圍 | -40 to 250 oF -40 to 120 oC |
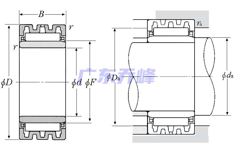
NTN NA4914S軸承尺寸規格
| 游隙可調滾針軸承帶內圈 - 尺寸 | |
| d | 2.7559 in 70.000 mm |
| D | 3.9370 in 100.000 mm |
| F | 3.1496 in 80.000 mm |
| B | 1.1811 in 30.000 mm |
| r | 0.0394 in 1.000 mm |
| da min | 2.9528 in 75.000 mm |
| Da max | 3.4646 in 88.000 mm |
| ras max | 0.0394 in 1.000 mm |
NTN NA4914S軸承尺寸圖
NTN軸承推薦
| NTN 6205LBNR軸承 | 描述:軸承型號:6205LBNR,單列深溝球軸承 - 單面密封(非接觸式橡膠密封)帶止動環 |
| NTN 6207ZZN軸承 | 描述:軸承型號:6207ZZN,單列深溝球軸承 - 雙面防塵蓋,帶止動環槽 |
| NTN 6221NRC3軸承 | 描述:軸承型號:6221NRC3,單列深溝球軸承 - 開式帶止動環 |
| NTN 7004HVDUJ94軸承 | 描述:軸承型號:7004HVDUJ94,雙聯角接觸球軸承,高精度 - 萬能平頂軸承 |
| NTN 7022HVDUJ74軸承 | 描述:軸承型號:7022HVDUJ74,雙聯角接觸球軸承,高精度 - 萬能平頂軸承 |
| NTN SNPS013RR軸承 | 描述:軸承型號:SNPS013RR,帶緊定螺釘的外球面軸承,狹窄內圈 - 球面外圈 |
| NTN M249749/M249710軸承 | 描述:軸承型號:M249749/M249710,圓錐滾子軸承 - 英制系列和J系列 |
| NTN MU7309TM軸承 | 描述:軸承型號:MU7309TM,圓柱滾子軸承 - 不可分離型,內圈帶兩個加強筋,外圈帶兩個擋圈 |
| NTN DCL1612軸承 | 描述:軸承型號:DCL1612,沖壓外圈滾針軸承 - DCL型 |
| NTN RNA4864軸承 | 描述:軸承型號:RNA4864,機加工滾針軸承不帶內圈 - RNA48,RNA49系列 |
進口軸承推薦
| FAG 23324-A-M-H40-T41軸承 | 描述:28.86 kg,振動機械用調心滾子軸承 |
| SNR 22216.EAW33C4軸承 | 描述:1.97 kg,調心滾子軸承 |
| FAG 23248-BE-XL-C3軸承 | 描述:109 kg,調心滾子軸承(X-life品質) |
| NTN 6012LLU C3軸承 | 描述:0.42 kg,單列深溝球軸承 |
| FAG 6028-2Z-C3軸承 | 描述:3.44 kg,深溝球軸承60..-2Z,主要尺寸符合DIN 625-1,兩側間隙密封 |
MCGILL軸承推薦
| MCGILL ROLLWAY-NU217EM軸承 | 基本尺寸,內徑:85.00000mm,外徑:150.00000mm,厚度:28.00000mm。 |
| MCGILL ROLLWAY-E5216B軸承 | 基本尺寸,內徑:80.00000mm,外徑:140.00000mm,厚度:44.50000mm。 |
| MCGILL MCF19SB軸承 | 基本尺寸,內徑:0.00000mm,外徑:19.00000mm,厚度:11.00000mm。 |
| MCGILL GR12N+MI8N軸承 | 基本尺寸,內徑:0.75000mm,外徑:1.25000mm,厚度:0.75000mm。 |
| MCGILL CCFH1-3/4SB軸承 | 基本尺寸,內徑:0.00000mm,外徑:44.45000mm,厚度:25.40000mm。 |

