NTN NUKR52軸承技術規格
| 類型 | 凸輪從動軸承 |
| 材質 | 淬透鋼 |
| 螺紋類型 | 公制 |
| 保持架材質 | 無 |
| 極限轉速-脂潤滑 | 3300轉/分鐘 |
| 滾子型式 | 凸度滾子 |
| 螺柱類型 | 公制 |
| 軸承類型 | 滾針軸承 |
| 外圈類型 | 球面 |
| 附件 | 防塵蓋 |
| 驅動裝置型式 | 插入式 |
| 結構 | 單列 |
| 扭矩 | 98.0 N ·m |
| 基本額定靜載荷 | 12900 lbf 57500 N |
| 基本額定動載荷 | 9550 lbf 42500 N |
| 軌道額定載荷 | 1250 lbf 5550 N |
| 重量 | 1.157 lb 0.525 kg |
| 應用溫度范圍 | -40 to 250 oF -40 to 120 oC |
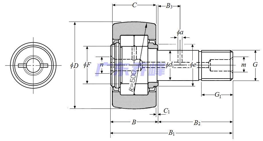
NTN NUKR52軸承尺寸規格
| 凸輪從動螺柱式滾輪軸承 - 球面外圈,NUKR型 - 尺寸 | |
| G | M20x1.5 |
| B1 | 2.5984 in 66.000 mm |
| B2 | 1.5945 in 40.500 mm |
| D | 2.0472 in 52.000 mm |
| D公差 | 0/-0.0020 in 0/-0.050 mm |
| B | 1.0039 in 25.500 mm |
| C | 0.9449 in 24.000 mm |
| d1 | 0.9449 in 24.000 mm |
| d1公差 | 0/-0.0008 in 0/-0.021 mm |
| G1 | 0.8268 in 21.000 mm |
| e | 1.2205 in 31.000 mm |
| B3 | 0.3543 in 9.000 mm |
| a | 0.1575 in 4.000 mm |
| F | 1.1811 in 30.000 mm |
| C1 | 0.0315 in 0.800 mm |
| n | 0.3150 in 8.000 mm |
| m | 0.3150 in 8.000 mm |
| 注油嘴尺寸 | NIP-B8 |
NTN NUKR52軸承尺寸圖
NTN NUKR52軸承在售型號
| 在售型號 | 庫存數量 | 市場價 |
| NUKR52/3AS | 186 | 276.81 |
| 注:可直接聯系銷售人員了解詳情。 | ||
NTN軸承推薦
| NTN 6802C3軸承 | 描述:軸承型號:6802C3,單列深溝球軸承 - 開式 |
| NTN 6314LLUN軸承 | 描述:軸承型號:6314LLUN,單列深溝球軸承 - 雙面密封(接觸式橡膠密封),帶止動環槽 |
| NTN 6818N軸承 | 描述:軸承型號:6818N,單列深溝球軸承 - 開式,帶止動環槽 |
| NTN ML71907CVDUJ74S軸承 | 描述:軸承型號:ML71907CVDUJ74S,高速雙聯角接觸球軸承,高精度 - 萬能平頂軸承 |
| NTN 79M6ADB/GH軸承 | 描述:軸承型號:79M6ADB/GH,雙聯角接觸球軸承 - 背對背配對 |
| NTN 65231/65500軸承 | 描述:軸承型號:65231/65500,圓錐滾子軸承 - 英制系列和J系列 |
| NTN 95500/95975軸承 | 描述:軸承型號:95500/95975,圓錐滾子軸承 - 英制系列和J系列 |
| NTN N1018HSL軸承 | 描述:軸承型號:N1018HSL,圓柱滾子軸承 -內圈帶兩個加強筋,可分離型,普通外圈 - N型 |
| NTN MA5309EL軸承 | 描述:軸承型號:MA5309EL,圓柱滾子軸承 -可分離型,普通內圈,外圈帶兩個加強筋 |
| NTN KRV72軸承 | 描述:軸承型號:KRV72,凸輪從動螺柱式滾輪軸承 - 球面外圈,KRV型 |
進口軸承推薦
| SKF 24056CK30Y/C3W33軸承 | 描述:67 kg,調心滾子軸承 |
| SKF 6312MA/C3軸承 | 描述:1.717 kg,單列深溝球軸承 |
| NTN 6000ZZ軸承 | 描述:0.018 kg,單列深溝球軸承 |
| FAG 23222-E1A-XL-K-M-C4軸承 | 描述:9.5 kg,調心滾子軸承(X-life品質) |
| NTN 6305DDU軸承 | 描述:0.235 kg,單列深溝球軸承 |
MCGILL軸承推薦
| MCGILL MCYRR6SX軸承 | 基本尺寸,內徑:6.00000mm,外徑:19.00000mm,厚度:11.00000mm。 |
| MCGILL MR148+MI128軸承 | 基本尺寸,內徑:9.25000mm,外徑:11.12500mm,厚度:3.00000mm。 |
| MCGILL MCYRR-40-S軸承 | 基本尺寸,內徑:40.00000mm,外徑:80.00000mm,厚度:35.00000mm。 |
| MCGILL ROLLWAY-NU211EM軸承 | 基本尺寸,內徑:55.00000mm,外徑:100.00000mm,厚度:21.00000mm。 |
| MCGILL CYRD1-3/4軸承 | 基本尺寸,內徑:0.50000mm,外徑:1.75000mm,厚度:1.00000mm。 |

