NTN NUKRT160X軸承技術規格
| 類型 | 凸輪從動軸承 |
| 材質 | 淬透鋼 |
| 螺紋類型 | 公制 |
| 保持架材質 | 無 |
| 極限轉速-脂潤滑 | 1200轉/分鐘 |
| 滾子型式 | 圓柱型 |
| 螺柱類型 | 公制 |
| 軸承類型 | 滾針軸承 |
| 外圈類型 | 圓柱型 |
| 附件 | 防塵蓋 |
| 驅動裝置型式 | 插入式 |
| 結構 | 單列 |
| 扭矩 | 2480.0 N ·m |
| 基本額定靜載荷 | 90000 lbf 400000 N |
| 基本額定動載荷 | 61500 lbf 274000 N |
| 軌道額定載荷 | 43500 lbf 194000 N |
| 重量 | 25.794 lb 11.700 kg |
| 應用溫度范圍 | -40 to 250 oF -40 to 120 oC |
NTN NUKRT160X軸承尺寸規格
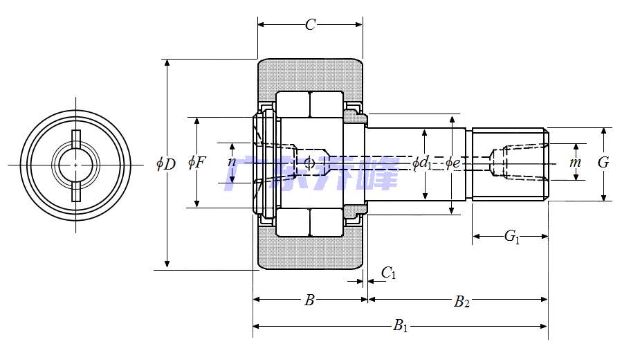
| 凸輪從動螺柱式滾輪軸承 - 圓柱內徑,NUKRT型 - 尺寸 | |
| G | M56x3 |
| B1 | 7.0866 in 180.000 mm |
| B2 | 4.4488 in 113.000 mm |
| D | 6.2992 in 160.000 mm |
| D公差 | 0/-0.0020 in 0/-0.050 mm |
| B | 2.6378 in 67.000 mm |
| C | 2.4803 in 63.000 mm |
| d1 | 2.2047 in 56.000 mm |
| d1公差 | 0/-0.0012 in 0/-0.030 mm |
| G1 | 2.2835 in 58.000 mm |
| e | 3.5236 in 89.500 mm |
| F | 3.1693 in 80.500 mm |
| C1 | 0.0787 in 2.000 mm |
| n | PT1/8 |
| m | PT1/8 |
| 注油嘴尺寸 | A-PT1/8 |
NTN NUKRT160X軸承尺寸圖
NTN軸承推薦
| NTN 6317C3軸承 | 描述:軸承型號:6317C3,單列深溝球軸承 - 開式 |
| NTN 6417C3軸承 | 描述:軸承型號:6417C3,單列深溝球軸承 - 開式 |
| NTN AC-6208軸承 | 描述:軸承型號:AC-6208,AC軸承 - 開式 |
| NTN 71926HVUJ74軸承 | 描述:軸承型號:71926HVUJ74,單列角接觸球軸承,高精度 |
| NTN MLE71905CVUJ74S軸承 | 描述:軸承型號:MLE71905CVUJ74S,密封角接觸球軸承 - 接觸角 25°,標準精度 |
| NTN BST40X90-1BDB軸承 | 描述:軸承型號:BST40X90-1BDB,滾珠絲杠用雙角接觸推力球軸承 - 背對背配對,開式,一排承受軸向載荷 |
| NTN 7924CDB/GNP5軸承 | 描述:軸承型號:7924CDB/GNP5,雙聯角接觸球軸承 - 背對背配對 |
| NTN 05075/05185軸承 | 描述:軸承型號:05075/05185,圓錐滾子軸承 - 英制系列和J系列 |
| NTN N1018HSKC0NAP4軸承 | 描述:軸承型號:N1018HSKC0NAP4,圓柱滾子軸承 - 圓錐孔 -內圈帶兩個加強筋,普通外圈 |
| NTN MR1205TX軸承 | 描述:軸承型號:MR1205TX,圓柱滾子軸承 -可分離型內圈帶一個加強筋,外圈帶兩個擋圈 |
進口軸承推薦
| RHP 22219.EKJW33軸承 | 描述:3.79 kg,調心滾子軸承 |
| SKF 6210/P6軸承 | 描述:0.463 kg,單列深溝球軸承 |
| NSK 6338M軸承 | 描述:47 kg,單列深溝球軸承 |
| NSK 6311DDU7CG35E/EA5軸承 | 描述:1.38 kg,單列深溝球軸承 |
| FAG 23248E1K.C3軸承 | 描述:108 kg,調心滾子軸承(X-life品質) |
MCGILL軸承推薦
| MCGILL MCYR30SX軸承 | 基本尺寸,內徑:30.00000mm,外徑:62.00000mm,厚度:29.00000mm。 |
| MCGILL MCFR72A軸承 | 基本尺寸,內徑:0.00000mm,外徑:72.00000mm,厚度:29.00000mm。 |
| MCGILL SB22204W33SS軸承 | 基本尺寸,內徑:20.00000mm,外徑:47.00000mm,厚度:18.00000mm。 |
| MCGILL MR72+MI62軸承 | 基本尺寸,內徑:4.50000mm,外徑:6.00000mm,厚度:2.25000mm。 |
| MCGILL CCF1/2SB軸承 | 基本尺寸,內徑:0.00000mm,外徑:12.70000mm,厚度:9.53000mm。 |

