NTN NUKRT180軸承技術規格
| 類型 | 凸輪從動軸承 |
| 材質 | 淬透鋼 |
| 螺紋類型 | 公制 |
| 保持架材質 | 無 |
| 極限轉速-脂潤滑 | 1000轉/分鐘 |
| 滾子型式 | 球面 |
| 螺柱類型 | 公制 |
| 軸承類型 | 滾針軸承 |
| 外圈類型 | 球面 |
| 附件 | 防塵蓋 |
| 驅動裝置型式 | 插入式 |
| 結構 | 單列 |
| 扭矩 | 3670.0 N ·m |
| 基本額定靜載荷 | 125000 lbf 555000 N |
| 基本額定動載荷 | 82000 lbf 365000 N |
| 軌道額定載荷 | 6250 lbf 27900 N |
| 重量 | 37.479 lb 17.000 kg |
| 應用溫度范圍 | -40 to 250 oF -40 to 120 oC |
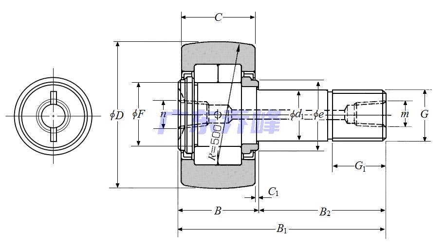
NTN NUKRT180軸承尺寸規格
| 凸輪從動螺柱式滾輪軸承 - 球面外圈,NUKRT型 - 尺寸 | |
| G | M64x3 |
| B1 | 7.8740 in 200.000 mm |
| B2 | 4.8819 in 124.000 mm |
| D | 7.0866 in 180.000 mm |
| D公差 | 0/-0.0020 in 0/-0.050 mm |
| B | 2.9921 in 76.000 mm |
| C | 2.8346 in 72.000 mm |
| d1 | 2.5197 in 64.000 mm |
| d1公差 | 0/-0.0012 in 0/-0.030 mm |
| G1 | 2.5591 in 65.000 mm |
| e | 4.0748 in 103.500 mm |
| F | 3.6024 in 91.500 mm |
| C1 | 0.0787 in 2.000 mm |
| n | PT1/8 |
| m | PT1/8 |
| 注油嘴尺寸 | A-PT1/8 |
NTN NUKRT180軸承尺寸圖
NTN軸承推薦
| NTN 6808JRZNC3軸承 | 描述:軸承型號:6808ZNC3,單列深溝球軸承 - 單面防塵蓋帶止動環槽 |
| NTN 6013LLUC3軸承 | 描述:軸承型號:6013LLUC3,單列深溝球軸承 - 雙面密封(接觸式橡膠密封) |
| NTN 71916CVDUJ74軸承 | 描述:軸承型號:71916CVDUJ74,雙聯角接觸球軸承,高精度 - 萬能平頂軸承 |
| NTN 71948CV軸承 | 描述:軸承型號:71948CV,單列角接觸球軸承,高精度 |
| NTN 7205HTDT/GM軸承 | 描述:軸承型號:7205HTDT/GM,雙聯角接觸球軸承 - 串聯配對 |
| NTN F-UC207D1/LP03軸承 | 描述:軸承型號:F-UC207D1/LP03,帶緊定螺釘的外球面軸承,寬外圈 - 球面外圈 |
| NTN 67780/67720軸承 | 描述:軸承型號:67780/67720,圓錐滾子軸承 - 英制系列和J系列 |
| NTN JH217249軸承 | 描述:軸承型號:JH217249,圓錐滾子軸承內圈 - 英制系列和J系列 |
| NTN 430224XU軸承 | 描述:軸承型號:430224XU,雙列圓錐滾子軸承 |
| NTN NN3024KD1C1NAP5軸承 | 描述:軸承型號:NN3024KD1C1NAP5,雙列圓柱滾子軸承 - 圓錐孔&注油孔 - NN型 |
進口軸承推薦
| FAG 222SM200M軸承 | 描述:71.8 kg,剖分式調心滾子軸承 |
| FAG B7211-C-T-P4S-UH軸承 | 描述:0.61 kg, 大型鋼球主軸軸承 B型 |
| NTN 23226EMKD1C3軸承 | 描述:13.31 kg, |
| TIMKEN 22234KCJW33軸承 | 描述:26.46 kg,調心滾子軸承 |
| FAG 22219-E1-XL-K-C4軸承 | 描述:3.79 kg,調心滾子軸承(X-life品質) |
MCGILL軸承推薦
| MCGILL BCYR3S軸承 | 基本尺寸,內徑:25.40000mm,外徑:76.20000mm,厚度:44.45000mm。 |
| MCGILL MR140+MI120軸承 | 基本尺寸,內徑:8.75000mm,外徑:10.62500mm,厚度:3.00000mm。 |
| MCGILL CYR8S軸承 | 基本尺寸,內徑:82.68000mm,外徑:203.20000mm,厚度:4.25000mm。 |
| MCGILL CCFH1-3/4SB軸承 | 基本尺寸,內徑:0.00000mm,外徑:44.45000mm,厚度:25.40000mm。 |
| MCGILL MCF40SB軸承 | 基本尺寸,內徑:0.00000mm,外徑:40.00000mm,厚度:20.00000mm。 |

