NTN NUKRU40軸承技術規格
| 類型 | 凸輪從動軸承 |
| 材質 | 淬透鋼 |
| 螺紋類型 | 公制 |
| 保持架材質 | 無 |
| 極限轉速-脂潤滑 | 4700轉/分鐘 |
| 滾子型式 | 凸度滾子 |
| 螺柱類型 | 偏心 |
| 軸承類型 | 滾針軸承 |
| 外圈類型 | 球面 |
| 附件 | 防塵蓋 |
| 驅動裝置型式 | 插入式 |
| 結構 | 單列 |
| 扭矩 | 76.0 N ·m |
| 基本額定靜載荷 | 6550 lbf 29100 N |
| 基本額定動載荷 | 5400 lbf 24100 N |
| 軌道額定載荷 | 865 lbf 3850 N |
| 重量 | 0.534 lb 0.242 kg |
| 應用溫度范圍 | -40 to 250 oF -40 to 120 oC |
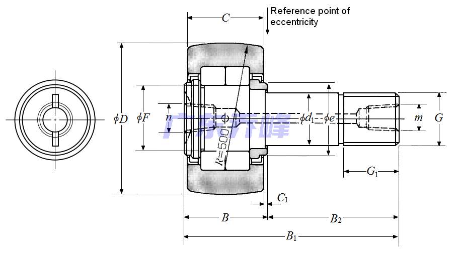
NTN NUKRU40軸承尺寸規格
| 凸輪從動螺柱式滾輪軸承 - 球面外圈,NUKRU型 - 尺寸 | |
| G | M18x1.5 |
| B1 | 2.2835 in 58.000 mm |
| B2 | 1.4370 in 36.500 mm |
| D | 1.5748 in 40.000 mm |
| D公差 | 0/-0.0020 in 0/-0.050 mm |
| B | 0.8465 in 21.500 mm |
| C | 0.7874 in 20.000 mm |
| d1 | 0.7087 in 18.000 mm |
| d1公差 | 0/-0.0007 in 0/-0.018 mm |
| G1 | 0.7480 in 19.000 mm |
| e | 0.9055 in 23.000 mm |
| F | 0.8465 in 21.500 mm |
| C1 | 0.0315 in 0.800 mm |
| n | PT1/8 |
| m | PT1/8 |
| 注油嘴尺寸 | A-PT1/8 |
NTN NUKRU40軸承尺寸圖
NTN軸承推薦
| NTN 63/22LBC3軸承 | 描述:軸承型號:63/22LBC3,單列深溝球軸承 - 單面密封(非接觸式橡膠密封) |
| NTN EC-6009LLU軸承 | 描述:軸承型號:EC-6009LLU,膨脹補償軸承 - 雙面密封(接觸式橡膠密封) |
| NTN 3322S軸承 | 描述:軸承型號:3322,雙列角接觸球軸承 - 開式 |
| NTN 7914UAD軸承 | 描述:軸承型號:7914UAD,單列角接觸球軸承 - Ultage系列 |
| NTN 7010CGD2/GNP4軸承 | 描述:軸承型號:7010CGD2/GNP4,雙聯角接觸球軸承 - 萬能平頂軸承 |
| NTN 29590/29522軸承 | 描述:軸承型號:29590/29522,圓錐滾子軸承 - 英制系列和J系列 |
| NTN 399A/394A軸承 | 描述:軸承型號:399A/394A,圓錐滾子軸承 - 英制系列和J系列 |
| NTN JM716610軸承 | 描述:軸承型號:JM716610,圓錐滾子軸承外圈 - 英制系列和J系列 |
| NTN KRV80LL軸承 | 描述:軸承型號:KRV80LL,凸輪從動螺柱式滾輪軸承 - 球面外圈,KRV..LL型 |
| NTN 23026EAKD1軸承 | 描述:軸承型號:23026EAKW33,調心滾子軸承,帶圓錐孔&注油槽 |
進口軸承推薦
| SKF 7009CEGA/HCP4A軸承 | 描述:0.21 kg, 單列角接觸球軸承 |
| FAG 6208-H-P6-GQK0軸承 | 描述:0.367 kg,單列深溝球軸承 |
| FAG 6404NR軸承 | 描述:0.4 kg,單列深溝球軸承 |
| TIMKEN 23140EMBW33C3軸承 | 描述:42.8 kg,調心滾子軸承 |
| SKF 7216BEGBY軸承 | 描述:1.43 kg,單列角接觸球軸承GA設計 |
MCGILL軸承推薦
| MCGILL ROLLWAY-NU212EMC3軸承 | 基本尺寸,內徑:60.00000mm,外徑:110.00000mm,厚度:22.00000mm。 |
| MCGILL MCFDE52X軸承 | 基本尺寸,內徑:0.00000mm,外徑:52.00000mm,厚度:24.00000mm。 |
| MCGILL MR44S+MI35軸承 | 基本尺寸,內徑:2.75000mm,外徑:3.50000mm,厚度:1.75000mm。 |
| MCGILL BCCYR1S軸承 | 基本尺寸,內徑:7.94000mm,外徑:25.40000mm,厚度:15.88000mm。 |
| MCGILL CF3.1/4S軸承 | 基本尺寸,內徑:0.00000mm,外徑:82.55000mm,厚度:44.45000mm。 |

