NTN UCPL-1.1/16軸承技術規格
| 類型 | 軸承座 |
| 軸承類型 | 滾珠軸承 |
| 鎖緊裝置 | 緊定螺釘 |
| 密封型式 | 接觸式 |
| 密封圈材質 | 丁腈橡膠 |
| 軸承型號 | A-UC206-101D1 |
| 軸承座型號 | PL206D1V50 |
| 殼體材質 | 鑄鐵 |
| 殼體鑄造型式 | 一體成型 |
| 端蓋類型 | 開式 |
| 表面涂層 | 黑色氧化物 |
| 性能 | 輕型 |
| 基本額定動載荷 | 4400 lbf 19500 N 19.50 kN |
| 基本額定靜載荷 | 2540 lbf 11300 N 11.30 kN |
| 最大擰緊力矩 | 43磅·英寸 |
| 極限轉速 | 5900轉/分鐘 |
| 應用溫度范圍 | -40 to 250 oF -40 to 120 oC |
| 潤滑方式 | 可再潤滑 |
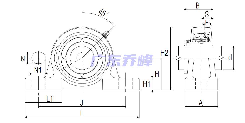
NTN UCPL-1.1/16軸承尺寸規格
| 超一流軸承座帶緊定螺釘,中心低,UCPL型 - 尺寸 | |
| d | 1-1/16 in 26.988 mm |
| J | 4-5/8 in 117.5 mm |
| L | 6.5000 in 165.1 mm |
| A | 1.8750 in 47.6 mm |
| H | 1-9/16 in 39.7 mm |
| H1 | 0.6563 in 16.7 mm |
| H2 | 3.1563 in 80.2 mm |
| N | 0.5625 in 14.3 mm |
| N1 | 0.9375 in 23.8 mm |
| L1 | 2.1250 in 54.0 mm |
| B | 1.5000 in 38.100 mm |
| S | 0.6260 in 15.900 mm |
| F | 0.1811 in 4.600 mm |
NTN UCPL-1.1/16軸承尺寸圖
NTN UCPL-1.1/16軸承同尺寸型號
| UELPL-1.1/16 | 詳細尺寸,d:26.988mm,h:39.70000mm,b:47.600mm,j:117.500mm,2b:80.200mm,r:165.100mm |
| UCPL-1.1/16 | 詳細尺寸,d:26.988mm,h:39.70000mm,b:47.600mm,j:117.500mm,2b:80.200mm,r:165.100mm |
| 共計找到2條記錄 | |
NTN UCPL-1.1/16軸承相關配件/適用型號
| A-UC206-101D1 | 詳細尺寸,d:26.988mm,dD:62.000mm,c:19.000mm,b:38.100mm,r:1.000mm |
NTN軸承推薦
| NTN 6805JRZZNC3軸承 | 描述:軸承型號:6805ZZNC3,單列深溝球軸承 - 雙面防塵蓋,帶止動環槽 |
| NTN 6211ZZC3/EM軸承 | 描述:軸承型號:6211ZZC3/EM,單列深溝球軸承 - 雙面防塵蓋 |
| NTN ML71910HVDUJ84S軸承 | 描述:軸承型號:ML71910HVDUJ84S,高速雙聯角接觸球軸承,高精度 - 萬能平頂軸承 |
| NTN AEL207-105D1軸承 | 描述:軸承型號:AEL207-105D1,帶偏心鎖緊套的外球面軸承,狹窄內圈 - 球面外圈 |
| NTN 2913軸承 | 描述:軸承型號:2913,單向推力球軸承 |
| NTN 28880/28820E1軸承 | 描述:軸承型號:28880/28820E1,圓錐滾子軸承 - 英制系列和J系列 |
| NTN 47687/47620A軸承 | 描述:軸承型號:47687/47620A,圓錐滾子軸承 - 英制系列和J系列 |
| NTN HM89411軸承 | 描述:軸承型號:HM89411,圓錐滾子軸承外圈 - 英制系列和J系列 |
| NTN N311G1C3軸承 | 描述:軸承型號:N311G1C3,圓柱滾子軸承 -內圈帶兩個加強筋,可分離型,普通外圈 - N型 |
| NTN MR5210TV軸承 | 描述:軸承型號:MR5210TV,圓柱滾子軸承 -可分離型內圈帶一個加強筋,外圈帶兩個擋圈 |
進口軸承推薦
| SKF 22230CC軸承 | 描述:17.05 kg,調心滾子軸承 |
| SKF 126310MB/C3軸承 | 描述:70 kg,調心滾子軸承 |
| SKF 61956MA/C3軸承 | 描述:16.2 kg,單列深溝球軸承 |
| NSK 6011VV C3軸承 | 描述:0.387 kg,單列深溝球軸承 |
| INA MF106ZZ軸承 | 描述:0.001 kg,單列深溝球軸承 |
MCGILL軸承推薦
| MCGILL PCF4軸承 | 基本尺寸,內徑:0.00000mm,外徑:4.00000mm,厚度:2.00000mm。 |
| MCGILL SB22230W33SS軸承 | 基本尺寸,內徑:150.00000mm,外徑:270.00000mm,厚度:73.00000mm。 |
| MCGILL CCFH-2-1/4-SB軸承 | 基本尺寸,內徑:0.00000mm,外徑:57.15000mm,厚度:31.75000mm。 |
| MCGILL ROLLWAY-E5224B軸承 | 基本尺寸,內徑:120.00000mm,外徑:215.00000mm,厚度:76.20000mm。 |
| MCGILL MCF62SB軸承 | 基本尺寸,內徑:0.00000mm,外徑:62.00000mm,厚度:29.00000mm。 |

